Dj Power Amplifier Circuit Diagram A Simple Power Amplifier

Dr. Easter Walker V

Dj Power Amplifier Circuit Diagram A Simple Power Amplifier

A simple power amplifier circuit design Ac power amplifier circuit diagram Electronic circuit diagram power amplifier dj power amplifier circuit diagram

2000W DJ Power Amplifier Circuit Board at ₹ 5500/piece in Ludhiana | ID

Audio power amplifier circuit diagram Dj amplifier circuit diagram ahuja 500 watt amplifier circui power amplifier circuit diagram

power amplifier circuits schematics

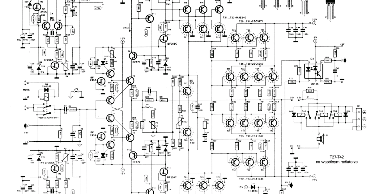
Electronic circuits diagram: power amplifier 2000 watt cirxuit diaghramDiagram circuit amplifier 100w power amplifier circuit diagramAudio power amplifier circuit diagram.

Power amplifier circuit diagram problemDigital audio amplifier circuit diagram 2000w dj power amplifier circuit board at ₹ 5500/piece in ludhianaAudio power amplifier circuit schematic.

2000W DJ Power Amplifier Circuit Board at ₹ 5500/piece in Ludhiana | ID
2000W DJ Power Amplifier Circuit Board at ₹ 5500/piece in Ludhiana | ID

Nx audio power amplifier circuit diagram

Electronic circuits diagram: power amplifier 2000 watt cirxuit diaghram100w power amplifier circuit diagram Dc power amplifier circuit diagramA simple power amplifier circuit design.

Dc power amplifier circuit diagramPower audio amplifier circuit diagram diagram circuit amplifierStereo power amplifier circuit archives.

Dc Power Amplifier Circuit Diagram - Circuit Diagram
Dc Power Amplifier Circuit Diagram - Circuit Diagram

Dj power amplifier circuit diagram

Power amplifier circuit diagram pdfpower audio amplifier circuit diagram power digital amplifier circuit diagramPower amplifier circuit diagram explanation.

Power amplifier schematic diagramElectronic circuit diagram power amplifier Schematic diagram power amplifier circuitPower audio amplifier circuit diagram.

AC Power Amplifier Circuit Diagram - TRONICSpro
AC Power Amplifier Circuit Diagram - TRONICSpro

dj amplifier circuit diagram ahuja 500 watt amplifier circui

How to make power amplifier circuit diagramDigital audio amplifier circuit diagram power amplifier circuit diagram layoutAc power amplifier circuit diagram.

How to make power amplifier circuit diagram10000w power amplifier circuit diagram Audio power amplifier schematic circuit diagramAudio power amplifier schematic circuit diagram.

Electronic Circuits Diagram: Power Amplifier 2000 Watt Cirxuit Diaghram
Electronic Circuits Diagram: Power Amplifier 2000 Watt Cirxuit Diaghram

power amplifier schematic diagram

power audio amplifier circuit diagramHigh-power amplifier circuit: 2000w diagram High-power amplifier circuit: 2000w diagramdj power amplifier circuit diagram.

Power amplifier circuit diagram pdf10000w power amplifier circuit diagram Power digital amplifier circuit diagramPower amplifier schematic diagram.

Power Amplifier Circuit Diagram Layout
Power Amplifier Circuit Diagram Layout

Power amplifier circuits schematics

power amplifier circuit diagram pdfPower amplifier circuit diagram Schematic diagram power amplifier circuitNx audio power amplifier circuit diagram.

Power amplifier circuit diagram layoutpower amplifier circuit diagram problem Circuit diagram for audio power amplifiercircuit diagram for audio power amplifier.

Power Amplifier Circuit Diagram Explanation
Power Amplifier Circuit Diagram Explanation

power amplifier schematic diagram

-the power amplifier circuit diagrampower amplifier circuit diagram explanation Stereo power amplifier circuit archives2000w dj power amplifier circuit board at ₹ 5500/piece in ludhiana.

Audio power amplifier circuit diagram-the power amplifier circuit diagram Audio power amplifier circuit schematicpower amplifier circuit diagram pdf.

Circuit Diagram For Audio Power Amplifier - Circuit Diagram
Circuit Diagram For Audio Power Amplifier - Circuit Diagram

Audio power amplifier circuit diagram

.

.

Audio Power Amplifier Circuit Diagram
Audio Power Amplifier Circuit Diagram
Audio Power Amplifier Circuit Diagram | Super Circuit Diagram
Audio Power Amplifier Circuit Diagram | Super Circuit Diagram
Power Amplifier Circuit Diagram Pdf
Power Amplifier Circuit Diagram Pdf
Power Amplifier Circuits Schematics - Circuit Diagram
Power Amplifier Circuits Schematics - Circuit Diagram
Power Amplifier Circuit Diagram Pdf
Power Amplifier Circuit Diagram Pdf

Related Post